Special Order
Trojan 225mm Stainless Steel Disc Hub Kit 5 x 120mm x 7/16in
Deliver to:
Auckland 1026,
NZ
Estimated:
$9.99
2-hour Click & Collect:
(order before 3pm, in-stock products only)
Our Auckland Shop
Free
Buy now, pay later & Finance Options
Find Local Store
Report incorrect product information
Features:
Specifications:

- These braked hub kits are designed to fit Trojan's Duratorque and beam axles but should also fit most NZ manufactured trailer axles.
- The Hubs have a 1500KG GVM (Gross Vehicle Mass) load rating which is based on a single axle and a pair of hubs.
- Our range of hubs come in a wide variety of wheel stud patterns to suit the most common wheel sizes.
- The most common stud pattern 5 Stud with a PCD measurement 4 1/2 inch and fits Trojan's most commonly stocked rims and tyres.
- The hub kits in this range include a full cast disc or a fitted a bolt on disc in either cast iron or stainless steel.
Specifications:
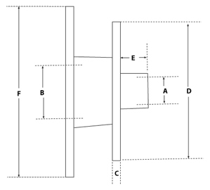
Hub Dimensions:

| Hub Type: Disc Braked | Version: | Fig A: Outer Bore | Fig B: Inner Bore | Fig C: Flange Thickness | Fig D: Flange Diameter | Fig E: Boss Length | Fig F: Rotor Diameter |
|---|---|---|---|---|---|---|---|
| 1500kg | Early Model | 45mm | 59mm | 15 mm | 180mm | 27mm | 225mm |
| 1500kg | Current Model | 45mm | 59mm | 15mm | 180mm | 34mm | 225mm |
| 1500kg (Spigot Type) | Current Model | 45mm | 59mm | 12mm | 155mm | 38mm | 225mm or 260mm |
PCD Measurement:

| Part No: | Rotor Type: | Stud: | PCD diameter: | Stud width: | 'x' in mm: |
|---|---|---|---|---|---|
| T035105 | Integral | Blank | |||
| T035115 | Integral | 4 | 4 1/4 inch | 7/16 inch | 108.0mm |
| T035120 | Integral | 4 | 4 1/2 inch | 7/16 inch | 114.3mm |
| T035125 | Integral | 5 | 4 1/4 inch | 7/16 inch | 63.449mm |
| T035135 | Integral | 5 | 4 1/2 inch | 1/2 inch | 67.183mm |
| T035140 | Integral | 5 | 120mm | 7/16 inch | 70.535mm |
| T036125 | Cast Iron bolt on | 5 | 4 1/4 inch | 7/16 inch | 63.449mm |
| T036135 | Cast iron bolt on | 5 | 4 1/2 inch | 1/2 inch | 67.183mm |
| T036140 | Cast iron bolt on | 5 | 120mm | 7/16 inch | 70.535mm |
| T036325 | Stainless steel bolt on | 5 | 4 1/4 inch | 7/16 inch | 63.449mm |
| T036335 | Stainless steel bolt on | 5 | 4 1/2 inch | 1/2 inch | 67.183mm |
| T036340 | Stainless steel bolt on | 5 | 120mm | 7/16 inch | 63.449mm |
Some of our product deals are strictly limited - once they're gone, they're gone! Secure yourself this amazing deal while stocks last...by clicking the Add to Order button above.